🔓 2001 Chevy Express Wiring Diagram: Master Your Vehicle's Electrical System

Discover the intricacies of your 2001 Chevy Express's electrical system with our detailed wiring diagram. Troubleshoot and repair with ease.

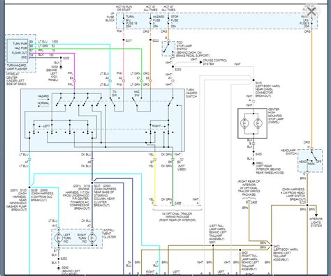
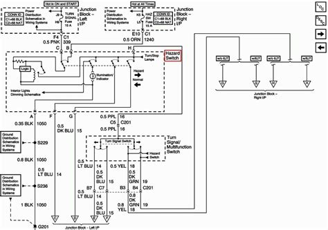
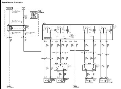
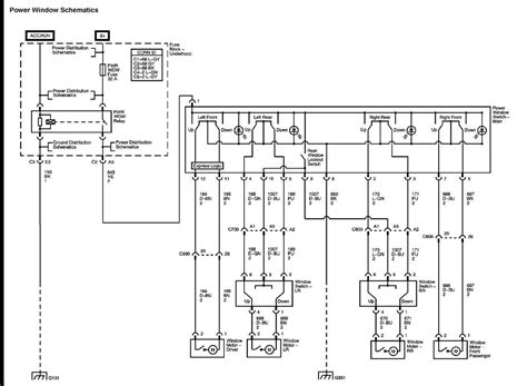
The 2001 Chevy Express Wiring Diagram is a comprehensive guide to understanding the electrical systems of the Chevrolet Express series. This article delves into the intricate details of the wiring diagram, offering a clear and concise explanation of the various components and their interconnections. The diagram provides a schematic representation of the vehicle's wiring, aiding in troubleshooting and repair processes. 2001 Chevy Express Wiring Diagram is essential for anyone working on or maintaining these vehicles, offering valuable insights into the electrical systems' functionality and design. Whether you're a seasoned mechanic or a DIY enthusiast, this article serves as an invaluable resource for understanding the complexities of the Chevy Express's electrical wiring.

2001 Chevy Express Wiring Diagram: Master Your Vehicle

Introduction

Introduction: The 2001 Chevy Express Wiring Diagram is a crucial tool for understanding the electrical layout of this vehicle. It provides a detailed overview of the wiring and electrical components, aiding in diagnostics and repairs.

Understanding the Wiring Diagram

Understanding the Wiring Diagram: This diagram offers a comprehensive look at the wiring and electrical systems of the 2001 Chevy Express. It includes information on the various components, their locations, and how they are interconnected.

Troubleshooting and Repairs

Troubleshooting and Repairs: With the wiring diagram in hand, troubleshooting electrical issues becomes more manageable. It allows for targeted diagnostics and efficient repairs, saving time and effort.

Maintenance and Upgrades

Maintenance and Upgrades: Proper maintenance is essential for keeping the electrical system of the 2001 Chevy Express in top condition. The wiring diagram can also be beneficial when planning upgrades or modifications.

Safety Considerations

Safety Considerations: When working with the electrical system, safety should be a top priority. Ensure that the vehicle is turned off and the battery is disconnected before attempting any repairs or modifications.

Common Issues and Solutions

Common Issues and Solutions: The wiring diagram can help identify common electrical issues in the 2001 Chevy Express, such as faulty wiring or components. It also provides guidance on how to resolve these issues effectively.

Conclusion

Conclusion: The 2001 Chevy Express Wiring Diagram is an invaluable resource for anyone working on or maintaining this vehicle. It provides a detailed look at the electrical system, aiding in diagnostics, repairs, and upgrades.

Conclusion:

Thank you for exploring the 2001 Chevy Express Wiring Diagram with us. We hope this detailed guide has provided valuable insights into understanding the intricate electrical system of your vehicle. By utilizing the wiring diagram, you can effectively troubleshoot and repair electrical issues, ensuring your Chevy Express runs smoothly.Remember, regular maintenance and following safety precautions are key to keeping your vehicle's electrical system in optimal condition. Whether you're a seasoned mechanic or a DIY enthusiast, the 2001 Chevy Express Wiring Diagram serves as an indispensable tool for maintaining and upgrading your vehicle. Stay tuned for more informative articles and guides on automotive wiring diagrams and schematics.

Keyword:2001 Chevy Express Wiring Diagram

Related Keywords:Maintenance, Troubleshooting, Safety, Wiring Diagram, Electrical System, 2001 Chevy Express


0 komentar