💥 2001 Chevy Tahoe Interior Light Wiring Diagram: Illuminate Your SUV With Precision

Discover the intricacies of the 2001 Chevy Tahoe Interior Light Wiring Diagram. Illuminate your SUV's interior with this comprehensive guide to troubleshooting and repairs.

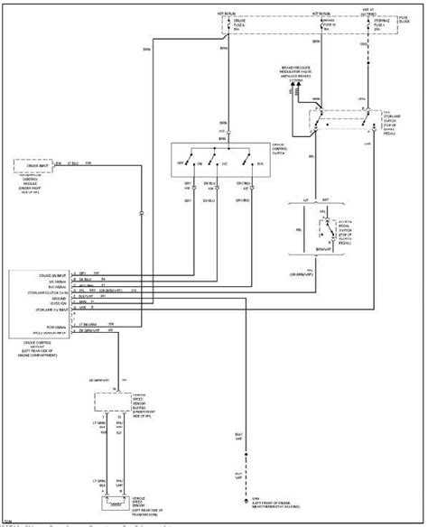
The 2001 Chevy Tahoe is a beloved SUV known for its durability and spacious interior. However, like any vehicle, it requires proper maintenance, including the interior lighting system. Understanding the interior light wiring diagram is crucial for troubleshooting and repairs. This article delves into the intricate details of the wiring diagram for the interior lights of the 2001 Chevy Tahoe, offering a comprehensive guide for enthusiasts and technicians alike. Exploring the schematic topics of this system provides valuable insights into the functionality and design of the interior lighting, aiding in diagnosing and resolving any issues effectively.

2001 Chevy Tahoe Interior Light Wiring Diagram: Illuminate Your SUV With Precision

Introduction

The 2001 Chevy Tahoe is a renowned SUV cherished for its robust performance and spacious design. One critical aspect of its functionality is the interior light wiring diagram, which governs the illumination system within the vehicle. Understanding this diagram is essential for maintaining and troubleshooting the interior lights effectively.

Purpose

The primary purpose of the 2001 Chevy Tahoe Interior Light Wiring Diagram is to provide a visual representation of the electrical circuitry responsible for controlling the interior lights. It serves as a guide for technicians and enthusiasts to understand how the system is structured and how each component interacts to produce the desired lighting effects.

Components

The diagram typically includes various components such as fuses, switches, connectors, and light bulbs. Each component plays a crucial role in ensuring the proper functioning of the interior lighting system in the 2001 Chevy Tahoe.

How It Works

The 2001 Chevy Tahoe Interior Light Wiring Diagram illustrates how electricity flows through the circuit, starting from the battery and passing through various components before reaching the light bulbs. Understanding this flow is crucial for diagnosing issues such as short circuits or malfunctioning components.

Troubleshooting

When faced with interior light issues in the 2001 Chevy Tahoe, referring to the wiring diagram can help identify the root cause. Whether it's a burnt-out bulb, faulty switch, or broken wire, the diagram provides a roadmap for effective troubleshooting.

Repair and Maintenance

Having a clear understanding of the 2001 Chevy Tahoe Interior Light Wiring Diagram is invaluable for conducting repairs and maintenance. It enables technicians to identify and address issues promptly, ensuring the interior lights function optimally.

Safety Precautions

When working with the electrical system of the 2001 Chevy Tahoe, it's essential to observe safety precautions. Always disconnect the battery before working on the wiring to prevent short circuits and electrical shocks.

Conclusion

In conclusion, the 2001 Chevy Tahoe Interior Light Wiring Diagram is a crucial tool for understanding, troubleshooting, and maintaining the interior lighting system. By familiarizing yourself with this diagram, you can ensure that your SUV's interior lights remain in optimal condition.

Conclusion:

Thank you for exploring the intricacies of the 2001 Chevy Tahoe Interior Light Wiring Diagram with us. Understanding this diagram is essential for maintaining and troubleshooting the interior lighting system of your 2001 Chevy Tahoe. By familiarizing yourself with the wiring diagram, you can effectively diagnose and resolve any issues that may arise, ensuring that your SUV's interior lights function optimally.We hope that the information provided in this article has been informative and helpful. Remember, proper maintenance and understanding of the 2001 Chevy Tahoe Interior Light Wiring Diagram can go a long way in keeping your SUV in top condition. If you have any further questions or need assistance with your interior lighting system, don't hesitate to seek professional help. Thank you for visiting our blog, and we look forward to providing you with more valuable insights in the future.

Keyword:2001 Chevy Tahoe Interior Light Wiring Diagram

Related Keywords:Maintenance, Wiring Diagram, schematic topics, Chevy Tahoe, Interior Light


0 komentar