😃 2000 Mitsubishi Galant Engine Diagram: Unveiling the Intricate Wiring Schematic

Discover the detailed 2000 Mitsubishi Galant Engine Diagram, unraveling the wiring and schematic intricacies of this vehicle's electrical systems.

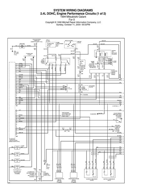
The 2000 Mitsubishi Galant Engine Diagram is a crucial component for understanding the electrical systems within the vehicle. This diagram provides a detailed illustration of the wiring and schematic arrangements, offering insights into the intricate network of connections that power the engine and its related components. By dissecting the diagram, mechanics and enthusiasts alike can decipher the wiring pathways, voltage specifications, and component interactions, aiding in troubleshooting and repair processes. This article delves into the intricacies of the 2000 Mitsubishi Galant Engine Diagram, shedding light on its significance in maintaining and understanding the vehicle's electrical infrastructure.

2000 Mitsubishi Galant Engine Diagram: Unveiling the Intricate Wiring Schematic

Introduction 2000 Mitsubishi Galant Engine Diagram

The 2000 Mitsubishi Galant Engine Diagram is a detailed schematic representation of the vehicle's electrical system, illustrating the wiring connections and component layout. This diagram is essential for understanding the engine's electrical components, such as sensors, actuators, and ignition systems. It provides a visual guide for technicians and enthusiasts to diagnose and repair electrical issues efficiently.

Engine Components 2000 Mitsubishi Galant Engine Diagram

The diagram showcases the various components of the engine, including the intake manifold, fuel injectors, ignition coils, and sensors. Each component is labeled and connected to its corresponding wiring, enabling users to identify and troubleshoot specific parts of the engine.

Ignition System 2000 Mitsubishi Galant Engine Diagram

The 2000 Mitsubishi Galant Engine Diagram also details the ignition system, highlighting the wiring connections for the spark plugs, ignition coil, and distributor. Understanding the ignition system is crucial for maintaining proper engine performance and fuel efficiency.

Fuel System 2000 Mitsubishi Galant Engine Diagram

Another critical aspect of the diagram is the fuel system, which includes the fuel pump, fuel filter, and fuel injectors. By referring to the diagram, users can trace the fuel system's wiring and diagnose issues such as fuel delivery problems or injector malfunctions.

Emission Control System 2000 Mitsubishi Galant Engine Diagram

The 2000 Mitsubishi Galant Engine Diagram also covers the emission control system, illustrating the wiring for components such as the oxygen sensor, EGR valve, and catalytic converter. This information is essential for ensuring the vehicle meets emissions standards.

Air Intake System 2000 Mitsubishi Galant Engine Diagram

The diagram includes the air intake system, detailing the wiring for the mass airflow sensor, throttle body, and intake manifold. Proper functioning of the air intake system is crucial for engine performance and fuel efficiency.

Electrical Wiring 2000 Mitsubishi Galant Engine Diagram

Lastly, the diagram provides an overview of the vehicle's electrical wiring, indicating the routing and connections for various electrical components. This information is vital for diagnosing electrical issues and ensuring the proper functioning of all systems.

Conclusion:

In conclusion, the 2000 Mitsubishi Galant Engine Diagram serves as an invaluable resource for understanding the intricate wiring and schematic details of the vehicle's electrical system. It provides a comprehensive overview of the engine's components and their interconnections, aiding technicians and enthusiasts in diagnosing and repairing electrical issues efficiently. By referring to this diagram, users can gain a deeper understanding of the engine's operation and ensure that it continues to run smoothly and efficiently.We hope that this series of articles on the 2000 Mitsubishi Galant Engine Diagram has been informative and helpful. Whether you are a seasoned mechanic or a curious enthusiast, delving into the complexities of the engine's electrical system can be both rewarding and enlightening. Remember to always refer to the diagram and follow manufacturer guidelines when working on your vehicle's electrical system to ensure safety and proper functioning. Thank you for reading, and we look forward to sharing more insights and information with you in the future.

Keyword:2000 Mitsubishi Galant Engine Diagram

Related Keywords:Electrical System, Wiring Schematic, Ignition System, Engine Diagram, 2000 Mitsubishi Galant, Component Layout


0 komentar