💥 2000 Nissan Quest GXE Wiring Diagram: Master Your Vehicle's Electrical System

Discover the intricacies of your 2000 Nissan Quest GXE's electrical system with our comprehensive wiring diagram. Perfect for technicians and enthusiasts alike.

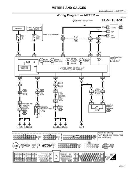
The 2000 Nissan Quest GXE Wiring Diagram is a comprehensive guide that delves into the intricate wiring and schematic configurations of this popular minivan model. As technology continues to advance, understanding the electrical systems of vehicles like the Nissan Quest GXE becomes increasingly important. This diagram serves as a vital resource for technicians, mechanics, and enthusiasts alike, offering a detailed overview of the vehicle's wiring layout and component connections.Highlighted within this diagram are key components such as the ignition system, lighting circuits, power distribution, and more. Whether you're troubleshooting an electrical issue or embarking on a custom modification project, having access to the 2000 Nissan Quest GXE Wiring Diagram ensures that you can navigate the vehicle's electrical system with confidence and precision.

2000 Nissan Quest GXE Wiring Diagram: Master Your Vehicle

Introduction

The 2000 Nissan Quest GXE Wiring Diagram is a valuable resource for anyone working on the electrical systems of this minivan model. It provides a detailed overview of the wiring layout and component connections, essential for troubleshooting and modifications.

Understanding the Diagram

Understanding the Diagram is crucial for effective use. Familiarize yourself with the symbols, color codes, and circuit descriptions used in the diagram. This will help you interpret the information accurately.

Key Components

Key Components highlighted in the diagram include the ignition system, lighting circuits, power distribution, and more. Knowing these components will help you locate them in your vehicle.

Using the Diagram

Using the Diagram effectively requires attention to detail. Follow the wiring paths carefully and double-check your work to avoid errors that could lead to electrical malfunctions.

Safety Precautions

Safety Precautions should always be observed when working with electrical systems. Ensure the vehicle is turned off and the battery is disconnected before beginning any work.

Troubleshooting

Troubleshooting using the wiring diagram involves a systematic approach. Identify the problem, trace the affected circuit using the diagram, and test components to pinpoint the issue.

Modifications and Upgrades

Modifications and Upgrades can be made using the wiring diagram as a guide. Whether adding new components or upgrading existing ones, the diagram provides the necessary information.

Conclusion

In conclusion, the 2000 Nissan Quest GXE Wiring Diagram is a valuable tool for anyone working on the electrical systems of this vehicle. Understanding the diagram, following safety precautions, and using it effectively are key to successful troubleshooting and modifications.

Conclusion:

Thank you for exploring the 2000 Nissan Quest GXE Wiring Diagram with us. We hope this comprehensive guide has been helpful in understanding your vehicle's electrical system. Whether you're troubleshooting an issue or planning a modification, the 2000 Nissan Quest GXE Wiring Diagram is an invaluable resource.

Remember to always follow safety precautions when working with electrical systems. Double-check your work, and use the diagram effectively to avoid mistakes. For more information on wiring diagrams and schematic topics, feel free to browse our other articles. Stay tuned for future updates and tips on maintaining your vehicle's electrical system. Happy wiring!

Keyword:2000 Nissan Quest Gxe Wiring Diagram

Related Keywords:Troubleshooting, Safety Precautions, Wiring Diagram, Electrical System, Key Components, vehicle's wiring, 2000 Nissan Quest


0 komentar