🔓 2000W Audio Amplifier Circuit Diagrams: Unveiling the Power Behind High-Fidelity Sound

Discover intricate 2000W audio amplifier circuit diagrams for powerful sound systems. Explore professional wiring and schematic diagrams for high-fidelity audio.

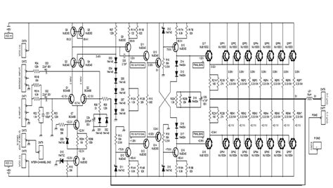
2000W Audio Amplifier Circuit Diagrams are essential for understanding the complex wiring and schematic diagrams of high-power audio systems. These diagrams provide a detailed overview of the circuitry involved in creating a powerful sound output. Whether you're a professional audio technician or a DIY enthusiast, these diagrams offer valuable insights into the inner workings of advanced audio amplifiers.Exploring 2000W Audio Amplifier Circuit Diagrams can be a fascinating journey into the world of audio engineering. These diagrams reveal the intricate connections and components that make up a high-power amplifier, offering a glimpse into the technology behind professional audio systems. Whether you're interested in building your own amplifier or simply curious about how these systems work, these circuit diagrams provide a comprehensive overview of the complex wiring involved in creating a powerful audio output.

2000W Audio Amplifier Circuit Diagrams: Unveiling the Power Behind High-Fidelity Sound

Introduction

2000W Audio Amplifier Circuit Diagrams are like blueprints for sound engineers, offering a detailed map of how to wire up powerful audio systems. These diagrams aren't just lines and circles on paper; they're the backbone of every thumping bass line and crystal-clear high note you've ever heard.

The Basics

The Basics of these diagrams might seem daunting at first, but fear not! They're essentially roadmaps that show how electrical components like resistors, capacitors, and transistors are connected to create the magic of music. Understanding them is like having a secret decoder ring for audio excellence.

The Anatomy

The Anatomy of a 2000W audio amplifier circuit diagram is a thing of beauty. It's a complex network of components working together to amplify audio signals to the max. Each part plays a crucial role, much like a symphony orchestra where every instrument has its part to play.

The Connection

The Connection between components is key. Just like a well-choreographed dance, each step (or wire) must be in perfect sync to ensure the music flows smoothly. One wrong move, and you could end up with a short circuit instead of a sweet melody!

The Challenges

The Challenges of working with these diagrams can be daunting, especially for beginners. But fear not! With a bit of patience and practice, you'll soon be deciphering these diagrams like a pro, creating your own audio masterpieces in no time.

The Rewards

The Rewards of mastering these diagrams are immense. Not only will you have the satisfaction of building your own high-powered audio systems, but you'll also gain a deep understanding of how they work, opening up a world of possibilities for your audio adventures.

The Future

The Future of audio amplifier circuit diagrams is bright. As technology advances, so too will the complexity and capabilities of these diagrams, leading to even more powerful and efficient audio systems. So, embrace the challenge, and let your audio journey begin!

Conclusion:

Thank you for exploring the intricate world of 2000W Audio Amplifier Circuit Diagrams with us. We hope these articles have provided valuable insights into the complex wiring and schematic diagrams of high-power audio systems. Understanding these diagrams is crucial for anyone interested in building or repairing audio amplifiers.As technology continues to advance, the world of audio engineering will only become more exciting and innovative. By mastering the art of reading and interpreting 2000W Audio Amplifier Circuit Diagrams, you're opening doors to endless possibilities in the world of high-fidelity sound. So, whether you're a seasoned audio technician or a curious DIY enthusiast, keep exploring, keep learning, and keep pushing the boundaries of what's possible in audio technology.

Keyword:2000w Audio Amplifier Circuit Diagrams

Related Keywords:schematic, Wiring, Circuit Diagrams, 2000W Audio Amplifier, High-power, Sound Systems, Audio Engineering


0 komentar